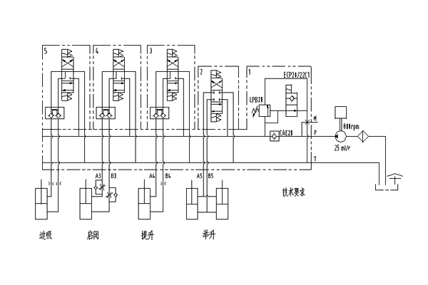
吸塵車使用什么標號的液壓油?另提供吸塵車液壓原理圖
如果你的吸塵車在換季的時候長期不使用,應停放在陰涼通風、干燥處,避免吸塵車車身過快的銹蝕,同時還需要定期對底盤、發動機、液壓系統、電控系統等維護和保養,進行操作運轉。
吸塵車使用什么標號的液壓油?
吸塵車液壓油:吸塵車液壓系統的油品,推薦采用YB-N46抗磨液壓油,相當于DIN51519/ISO,VG46液壓油:40oC時黏度:41.4-50.6mm2/s;閃點:180oC;凝點:-33oC。
需要注意:要么整體更換,要么只允許使用相同品質的液壓油,不允許不同的油品混用。在換油時和檢修液壓系統時,為保證系統清潔度,維修人員應清洗各液壓元件,且不要加注以前使用過的油品。
更換方法:液壓油箱左側下端設有放油螺塞;更換液壓油時,應使各油缸處于縮回狀態,從液壓油箱下面的放油螺塞處放油,由油箱上端濾清器口加注。
潤滑脂:吸塵車運動部位的潤滑,推薦采用3號鈣基潤滑脂:錐入度:220~250 1/10mm;滴點: ≥90oC。
潤滑周期表:
序號 | 潤滑部件 | 潤滑點 | 加注周期 |
1 | 舉升油缸 | 兩端關節軸承 | 兩周 |
2 | 開門油缸 | 兩端關節軸承 | 兩周 |
3 | 吸塵口提升油缸 | 兩端關節軸承 | 兩周 |
4 | 副吸塵口伸縮油缸 | 兩端關節軸承 | 兩周 |
5 | 吸塵口導向桿 | 前后鉸接(共四處) | 兩周 |
6 | 副發動機 | 動力輸出軸承箱 | 100小時 |
7 | 風機 | 風機軸承箱 | 300小時 |
8 | 皮帶張緊輪 | 張緊輪 | 100小時 |
吸塵車液壓系統調定壓力為12.5MPa,用戶不宜隨意調節,以免造成事故。液壓原理圖見圖1:

圖1
| 上一條: | 工業吸塵車電器控制系統組成及原理圖 |
| 下一條: | 真空吸塵車的維護保養"吸塵車過濾倉濾筒保養篇" |








